Bienvenue chez GEMA Shop - votre expert en technologie thermique, solaire et sanitaire depuis 1991. Nous vous conseillons personnellement et vous proposons des solutions techniques qui fonctionnent vraiment.
  • expédition rapide

  • Aide et conseils gratuits

  • Ouvert 7j/7

Anhaltinerring 17, 39439 Güsten

Caleffi  |  UGS : CUV34100

Soupape de surpression différentielle

Nom: CALEFFI S.p.a.

Adresse: S.R. 229, n. 25, 28010 Fontaneto d'Agogna (NO) Italy

Email: info@caleffi.com

Site Web: https://www.caleffi.com/de-de

Fabricant Européen: Oui

Prix ​​normal 30,05 €
tVA incluse. Expédition seront facturés à la caisse.


Livraison et expédition

Le délai de traitement est généralement d'un jour ouvré. La livraison des colis est de 1 à 3 jours ouvrés. Pour les livraisons par fret, le délai est de 3 à 5 jours ouvrés. Les délais de livraison hors d'Allemagne varient.

Description

Soupape de décharge à pression différentielle — réglable avec échelle

Données techniques

Pression de service maximale : 10 bar. Plage de température moyenne : 0–100 °C. Teneur maximale en glycol : 30 %. Fluide : solutions aqueuses et glycolées.

fonction

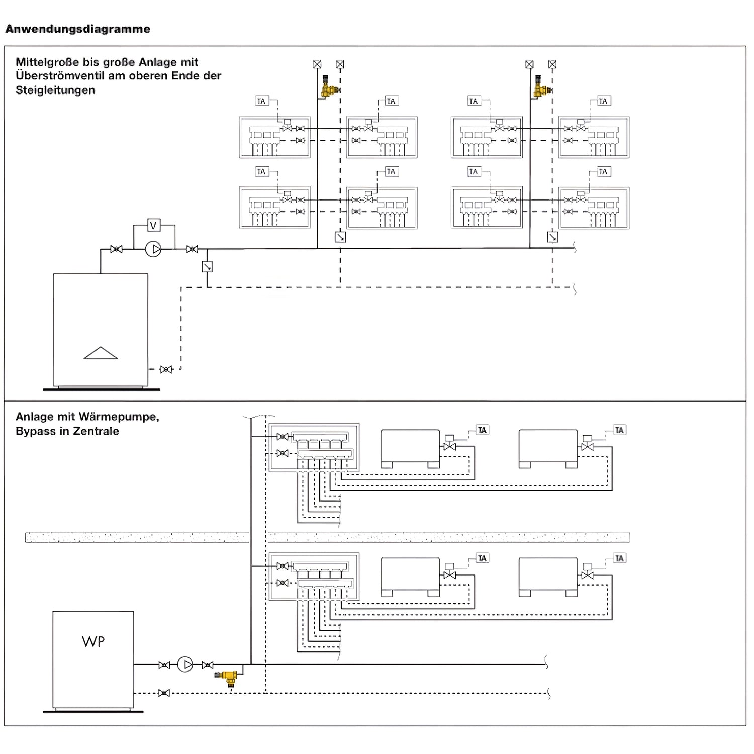
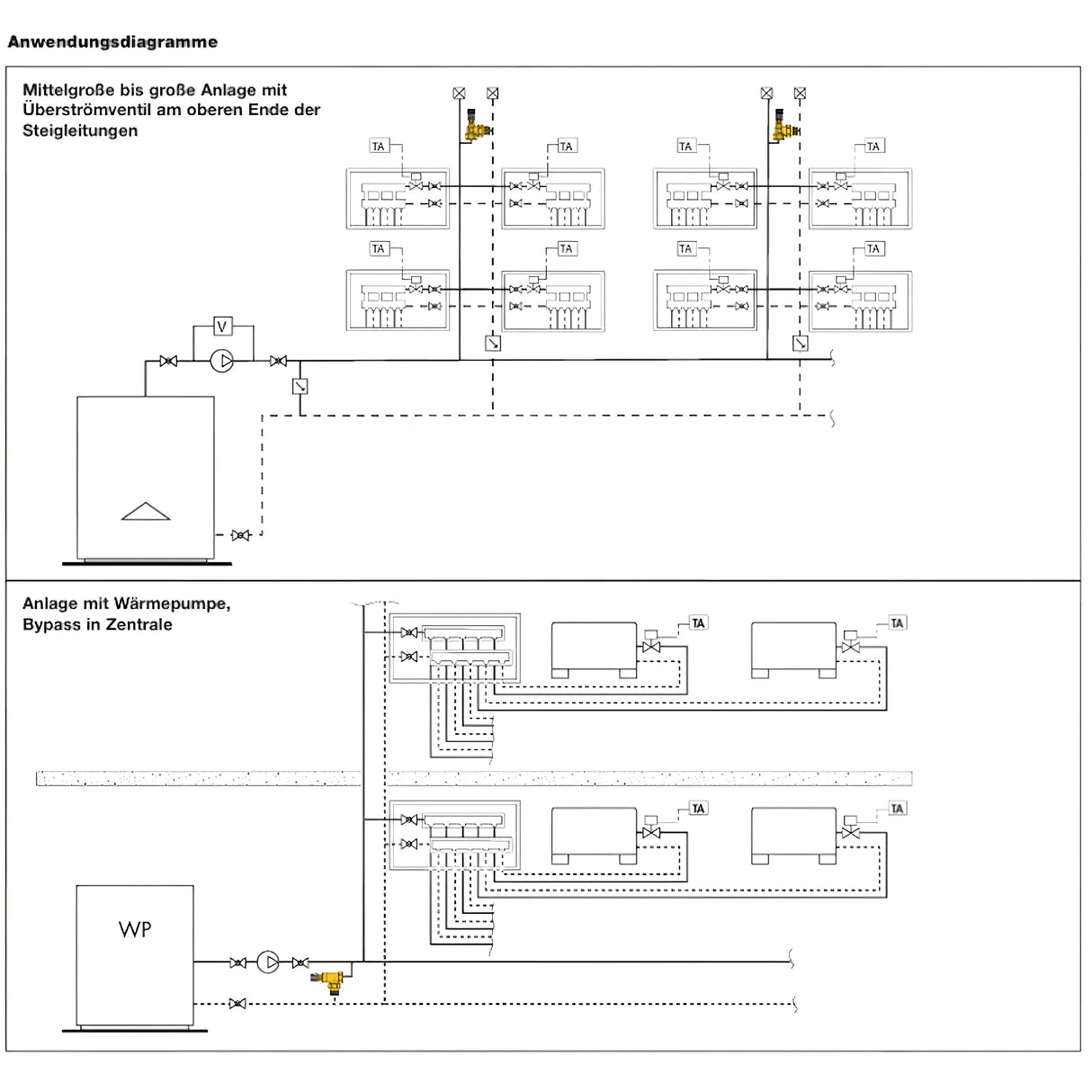
La vanne de dérivation à pression différentielle assure un retour contrôlé des débits dans les systèmes dont l'état des consommateurs fluctue. Elle limite la pression différentielle générée par la pompe et renvoie le volume excédentaire proportionnellement au nombre de consommateurs fermés.

Notamment dans les systèmes équipés de pompes à chaleur ou de pompes de circulation à vitesse variable, la vanne assure le débit minimal requis pour le bon fonctionnement de la machine et pour prévenir les dysfonctionnements et la surchauffe.

Réglage et fonctionnement

Le réglage continu via l'échelle visible permet une adaptation précise aux conditions de pression calculées du système. Lors de la mise en service, le réglage doit être effectué en fonction de la courbe caractéristique de la pompe et de la limite de pression différentielle souhaitée.

Un réglage fin en cours de fonctionnement permet d'optimiser le comportement du système sous des charges variables ; les paramètres sont enregistrés pour des mesures de contrôle ultérieures.

Avantages

Protection de la pompe et des composants de commande grâce à la limitation de la pression différentielle maximale, réduction du niveau sonore et allongement de la durée de vie du système. Des conditions hydrauliques plus stables améliorent le comportement et l'efficacité de la commande.

Instructions de montage et d'entretien

La vanne doit être installée à un emplacement approprié sur la conduite de retour, accessible pour l'inspection et le réglage. Un filtre en amont de la vanne améliore la fiabilité de fonctionnement et réduit l'usure.

Il est recommandé de procéder régulièrement à des inspections visuelles et fonctionnelles, ainsi qu'à des contrôles de la teneur en glycol et de l'étanchéité. Des mesures de protection appropriées doivent être prises en cas de gel.

Domaines d'application

Convient aux systèmes de chauffage, de refroidissement et de pompes à chaleur à débit variable. Particulièrement utile dans les systèmes comportant plusieurs consommateurs, actionneurs ou pompes à vitesse variable afin de garantir un débit et une pression minimaux.

Données techniques

  • Pression de service maximale : 10 bar
  • Plage de température moyenne : 0–100 °C
  • Teneur maximale en glycol : 30 %
  • Agents : Eau, solutions de glycol
  • Réglage : 10–60 kPa (1–6 m w.s.)
  • Relations:
    • Filetage femelle 3/4" (ISO 228-1) pour filetage mâle avec raccord à vis

paiement & Sécurité

Options de paiement

  • American Express
  • Apple Pay
  • Bancontact
  • BLIK
  • EPS
  • Google Pay
  • iDEAL
  • Klarna
  • Maestro
  • Mastercard
  • MobilePay
  • PayPal
  • Przelewy24
  • Shop Pay
  • Union Pay
  • Visa

Vos informations de paiement sont traitées de manière sécurisée. Nous ne conservons ni n'accédons à vos informations de carte bancaire.

Contactez-nous